3V - 24V 直流減速馬達,齒輪箱外徑 30mm 直流電動機 25mm
HN30GM-HN250
直流減速電機, 水滴型齒輪箱, 直流齒輪箱馬達, 塔式減速箱,D型軸減速馬達
直流減速馬達產品為30mm減速箱加上25mm直流馬達搭配使用,祥能提供多種馬達規格供選擇,此產品應用電壓範圍為3V、6V、12V、24V。減速齒輪箱皆可訂製不同轉數、扭力來達到應用需求,具高耐用度、高性能、精度高、啟動轉矩高、低故障率、體積小、拆裝方便等特性。
直流減速馬達應用廣泛,可使用於自動販賣機、貨幣兌換設備、退幣機、電動窗簾、遊戲機、5G 基地台、夾娃娃機、影印事務機、飲料封口機、衛星天線、咖啡機、電子智能鎖、電動輪椅、滾筒烘豆機設備等多項自動化產品。
祥能馬達亞洲減速機、馬達供應商,專營直流馬達、直流減速馬達、升降馬達、跑步機馬達、減速箱、OEM,任何訂製馬達與齒輪箱規格問題都歡迎與我們聯繫,我們很高興為您服務!
產品特點
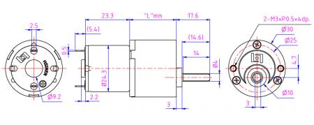
- 本產品為HN30GM減速箱搭配HN250直流馬達。
- 出力軸:偏心軸
- 旋轉方向:雙向
- 碳刷馬達。
- 磁鐵:橡膠磁鐵
- 大扭力、低轉速。
- 高耐用度、高性能。
- 堅持同步生產馬達與齒輪箱來確保每項產品的高傳動性與高品質。
- 可視需求客製各式比數、轉速、扭力、電壓、出力軸等。
產品規格
- 操作電壓範圍:DC3V~24V
- 馬達外徑:φ24.3-25mm
- 減速箱外徑:φ30mm
馬達外觀圖

馬達規格參考
| RATIO | 8.5 | 9 | 21.3 | 22.5 | 53.1 | 56.3 | 132.8 | 140.6 | 332 | 351.6 |
|---|---|---|---|---|---|---|---|---|---|---|
| DIM "L" MM | 24.6 | 24.6 | 24.6 | 24.6 | 24.6 | 24.6 | 24.6 | 24.6 | 24.6 | 24.6 |
| EFF | 80 | 80 | 70 | 70 | 60 | 60 | 50 | 50 | 45 | 45 |
| Allowable Torque (kg-cm) | 1.5 | 1.5 | 2.5 | 2.5 | 4 | 4 | 6 | 6 | 6 | 6 |
| Model HN30G-250 | Voltage | No Load | At Maximum Efficiency | Stall Torque | ||||||
|---|---|---|---|---|---|---|---|---|---|---|
| Operating Range | Nominal V.DC | Speed | Current | Speed | Current | Torque | Output | EFF | ||
| RPM | mA | RPM | mA | g-cm | W | % | g-cm | |||
| HN250-2212T | 3V~6V | 6V | 12000 | 150 | 8940 | 710 | 28.57 | 2.623 | 61 | 150 |
| HN250-1522Y | 6V~12V | 12V | 7000 | 50 | 5627 | 156 | 18.59 | 1.074 | 57 | 110 |
| HN250-1329Y | 6V~24V | 12V | 5200 | 40 | 3445 | 151 | 23.5 | 0.831 | 45 | 90 |
| HN250-0953Y | 6V~24V | 24V | 5600 | 30 | 3793 | 91 | 22.04 | 0.859 | 39 | 70 |
| HN250-1045Y | 6V~24V | 24V | 7000 | 50 | 5112 | 97 | 23.36 | 1.226 | 53 | 90 |
*特殊齒輪比或是特殊規格的外型可能與標準型有所不同,如有需求請聯繫我們技術人員。
- 關聯產品
3V - 24V 塔輪式直流減速馬達,齒輪箱外徑 30mm 直流電機 28mm
HN30GM-HN280
直流減速馬達為外徑30mm減速箱搭配外徑28mm直流馬達,應用電壓範圍為3V、6V、12V、24V,提供多種馬達規格供選擇且減速齒輪箱皆可訂製不同轉數、扭力來達到應用需求,具高耐用度、高性能、啟動轉矩高、低故障率、體積小、拆裝方便等特性。
細節齒輪箱外徑 30mm,6V - 24V 直流馬達 29mm 自動販賣機直流齒輪箱馬達
HN30GM-HN290
直流減速馬達為φ30mm齒輪箱加上φ29mm直流電機搭配使用,此產品應用電壓範圍為3V、6V、12V、24V,減速齒輪箱皆可視需求客製各式轉速、扭力、電壓、出力軸等參數來符合您的產品應用。具備高耐用度、震動小、穩定度高、啟動轉矩高、體積小、故障率低、好安裝、拆裝方便等特性,祥能提供多種馬達規格供選擇。
細節齒輪箱外徑 50mm直流馬達 34.5mm,6V - 24V 直流減速馬達
HN50GM-HN345
祥能中大型直流減速馬達專用齒輪箱,為50mm減速箱加上34.5mm直流馬達搭配使用,可根據客戶需求提供多種馬達規格,此直流減速馬達適用電壓範圍為6V、12V、24V,最高輸出扭力30kg-cm。
細節- 外觀圖下載
- 相簿
祥能精機 (HSINEN) 3V - 24V 直流減速馬達,齒輪箱外徑 30mm 直流電動機 25mm產品介紹
祥能精機股份有限公司是台灣一家擁有超過36年經驗的專業3V - 24V 直流減速馬達,齒輪箱外徑 30mm 直流電動機 25mm生產製造服務商. 我們成立於西元1987年, 在電機電子產業領域上, 祥能精機 (HSINEN)提供專業高品質的3V - 24V 直流減速馬達,齒輪箱外徑 30mm 直流電動機 25mm製造服務, 祥能精機 (HSINEN) 總是可以達成客戶各種品質要求





