6V - 24V Planetary Geared Motors sa Φ 35mm na may 15kgs Allowable Torque
HN34PG-HN330
Planetary Gearbox, Central Shaft Motors, Gear Reduction Motor
Ang planetary gearbox na may 35mm na labas na diameter ay may kasamang 33mm na DC motor. Ito ay may mga kalamangan ng malaking kakayahan sa pagdadala, compact na estruktura, mataas na output torque, stable na power output, mataas na performance at iba't ibang gear ratios. Ang Hsiang Neng ay naninindigan sa paggamit ng mataas na precision na production equipment upang mag-produce ng mga serye ng planetary gearbox sa loob ng mga taon, walang kompromiso sa kalidad, ang mga planetary motors na may mataas na performance, stable na output power at angkop sa mga kapal na torque na mga environment.
Ang mga planetary geared motors ay maaaring pasadyang ayon sa mga kahilingan ng customer tulad ng bilis, torsiyon, boltahe, at mga output shaft.
Malawakang ginagamit ang mga ito sa mga vending machine, electronic lock, automatic equipment, hand tools, sensor door, claw machine, currency machine, medical equipment, automatic packaging machine, robotic arm, electric wheelchair at iba pang mga application.
Mga Tampok
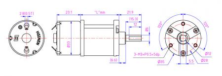
- Shaft: Gitnang Shaft
- Direksyon ng Pag-ikot: Bi-Direksyon
- Carbon Brush.
- Uri ng Magnet: Goma Magnet / Permanenteng Magnet na Pabilog na Porma
- MIT / OEM.
- Matatag na Torque, Malakas na Load, Mahabang Buhay ng Motor.
- Pasadyang planetary gear reducer na ang lahat ng mga parameter ng motor ay naaayon sa iyong mga pangangailangan.
Spesipikasyon
- Boltag: DC 6V ~ 24V
- OD ng DC Motor: φ 33 mm
- OD ng Gearbox: φ 34-35 mm
Pagguhit ng Motor

Listahan ng Pagsusuri ng Motors
| RATIO | 4.5 | 20.3 | 91.1 | 410.1 | 1845.3 |
|---|---|---|---|---|---|
| DIM "L" MM | 17.2 | 24.2 | 30.7 | 37.7 | 44.7 |
| EFF | 80 | 70 | 60 | 50 | 40 |
| Pinapayagang Torque (kg-cm) | 1.5 | 3 | 6 | 6 | 6 |
| Modelo 330 | Boltag | Walang Load | Sa Maximum na Epektibo | Stall Torque | ||||||
|---|---|---|---|---|---|---|---|---|---|---|
| Saklaw ng Operasyon | Nominal na V.DC | Bilis | Kasalukuyang | Bilis | Kasalukuyang | Torque | Output | EFF | ||
| RPM | mA | RPM | mA | g-cm | W | % | g-cm | |||
| HN330A-2414T | 6V~12V | 6V | 7300 | 130 | 5571 | 434 | 28.04 | 1.604 | 61 | 200 |
| HN330A-1924T | 6V~12V | 6V | 4300 | 70 | 3213 | 260 | 26.69 | 0.881 | 56 | 160 |
| HN330A-1634T | 6V~24V | 12V | 6000 | 65 | 5017 | 226 | 34.56 | 1.781 | 65 | 220 |
| HN330B-1250T | 6V~24V | 12V | 5700 | 50 | 3713 | 166 | 26.76 | 1.02 | 50 | 90 |
| HN330A-1640Y | 6V~24V | 24V | 5800 | 70 | 5118 | 149 | 40.83 | 2.146 | 59 | 260 |
* Ang hitsura ng motor/gearbox ay maaaring magkaiba depende sa espesyal na mga tatakda o espesyal na gear ratio, mangyaring makipag-ugnayan sa amin para sa karagdagang detalye.
- Kaugnay na mga Produkto
6V - 24V High Torque Planetary Geared Motor sa Diameter Φ 22mm na may Mataas na Katatagan
HN34PG-HN345
Ang 35mm na labas na diameter ng HSINEN planetary gearbox na may 34.5mm na DC motor ay may mga kalamangan...
Mga DetalyeDiameter 20mm Low Gear Ratio Planetary Gear Reducer na may 6V - 24V DC Motor
HN20PG-HN210
Ang pagganap ng planetary motor ay matatag at maaaring gamitin sa mga kapal na torque na kapaligiran....
Mga Detalye- Pag-download ng Drawing
6V - 24V Planetary Geared Motors sa Φ 35mm Katalogo
Planetary gearbox sa 35mm na labas na diameter ay may kasamang 33mm DC motor na may 15kgs Allowable Torque
I-download- Gallery
Serbisyo sa mga Customer
Para sa anumang isyu tungkol sa teknikal na isyu ng DC motor, mangyaring tawagan kami sa: +886-4-8350536
Higit pang mga detalye6V - 24V Planetary Geared Motors sa Φ 35mm na may 15kgs Allowable Torque | Tagagawa ng Mga Mikro Motors para sa Medikal na Kagamitan | Hsiang Neng
Matatagpuan sa Taiwan mula noong 1987, ang Hsiang Neng DC Micro Motor Manufacturing Corporation ay isang OEM at ODM tagagawa ng DC motor at gearmotor. Ang mga pangunahing high torque DC motors nito ay kasama ang mga sumusunod: 6V - 24V Planetary Geared Motors sa Φ 35mm na may 15kgs Allowable Torque, DC motors para sa dental medical equipment, worm gear DC motors na may encoder, dual shaft gearbox, ebike carbon brushed DC motors, robot gear motors, linear actuator motors, treadmill belt grinder motors, miniature planetary gear motors, na may mababang ingay, mataas na torque, mahabang buhay at mataas na bilis, at sertipikado ng CCC, ROHS, CE, at UL.
Itinatag ang Hsiang Neng DC Micro Motor Manufacturing Corp. noong 1987, na isang propesyonal na tagagawa ng mga matatag at maaasahang DC Gear Motors at DC motors. Ang mga ito ay pinoproseso gamit ang mga advanced na imported na aparato at CNC machine, at ang semi-auto production ay nagtitiyak na ang mga produkto ay matatag at kwalipikadong maaasahan.
Ang HSINEN ay nagbibigay ng mga customer ng mataas na kalidad na DC motors at gearmotors, pareho na may advanced na teknolohiya at 36 taon ng karanasan, pinapangako ng HSINEN na matutugunan ang bawat pangangailangan ng bawat customer.




