Moteur électrique à courant continu micro 3V - 24V pour distributeur de savon, 7200 tr/min, diamètre extérieur de 25 mm, haute vitesse et faible bruit
HN250
Moteur à courant continu personnalisé, moteur de générateur à courant continu, moteur de jouet, moteur de distributeur de savon
Tension de fonctionnement normale de 3V à 24V pour un moteur à balais de petite taille de 25 mm (diamètre extérieur), utilisé principalement pour des outils de massage, des serrures de moteur électroniques, des portes automatiques, des voitures électriques, des pistolets airsoft, des rideaux électriques, etc. avec une vitesse élevée, un contrôle précis de la vitesse, une installation facile, un couple de démarrage élevé, une longue durée de vie, etc.
Selon vos exigences en matière de diversité, le contrôleur de réducteur de vitesse et l'encodeur sont disponibles en option sur ce modèle, et les paramètres des moteurs à courant continu peuvent tous être personnalisés, par exemple l'arbre et le réducteur de vitesse. De plus, notre ligne de production tout-en-un est très productive, ainsi, Hsiang Neng ne propose que des moteurs à courant continu MIT de haute qualité, sans compromis.
Caractéristiques
- Arbre : Arbre central.
- Direction de rotation : Bidirectionnelle.
- Brosse en carbone.
- Type d'aimant : Aimant en caoutchouc / Aimant permanent en forme de tuile.
- Sortie stable, facile à installer, facile à entretenir.
- Moteurs à courant continu micro personnalisés avec tous les paramètres du moteur selon vos exigences.
Spécification
- Tension : DC 3V ~ 24V
- OD: φ 24 - 25 mm
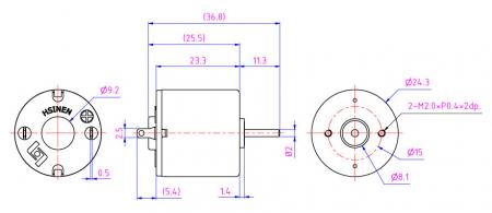
Dessin de moteur

Liste de tests de moteurs
| Modèle 250 | Tension | Sans charge | Au rendement maximal | Couple de blocage | ||||||
|---|---|---|---|---|---|---|---|---|---|---|
| Plage de fonctionnement | V.DC nominal | VITESSE | COURANT | VITESSE | COURANT | COUPLE | SORTIE | EFF | ||
| RPM | mA | RPM | mA | g-cm | W | % | g-cm | |||
| HN250B-2212T | 3V~6V | 6V | 12000 | 150 | 8940 | 710 | 28.57 | 2.623 | 61 | 150 |
| HN250B-1522Y | 6V~12V | 12V | 7000 | 50 | 5627 | 156 | 18.59 | 1.074 | 57 | 110 |
| HN250B-1329Y | 6V~24V | 12V | 5200 | 40 | 3445 | 151 | 23.5 | 0.831 | 45 | 90 |
| HN250A-0953Y | 6V~24V | 24V | 5600 | 30 | 3793 | 91 | 22.04 | 0.859 | 39 | 70 |
| HN250B-1045Y | 6V~24V | 24V | 7000 | 50 | 5112 | 97 | 23.36 | 1.226 | 53 | 90 |
* L'apparence du moteur/boîte de vitesses peut être différente en fonction des spécifications spéciales ou du rapport de démultiplication spécial, veuillez nous contacter pour obtenir plus de détails.
- Produits connexes
Moteur à courant continu à balais en carbone de petit diamètre de 33 mm avec une tension de 6V à 24V.
HN330
Moteur à courant continu de φ33 mm de diamètre extérieur et plage de fonctionnement de 6-12...
DétailsMoteurs électriques miniatures à courant continu à balais en carbone, 6V - 12V, diamètre 21mm, économie d'énergie
HN210
Moteur à courant continu de petite taille de φ21mm avec une plage de tension de 6V - 12V....
DétailsMoteur électrique CC à balais en carbone de 34,5 mm de diamètre, 6V - 24V, à haut régime avec aimant permanent.
HN345
Diamètre extérieur de 34,5 mm avec une plage de tension de 6V-24V, HN345 avec une petite...
Détails- Téléchargement de dessin
Téléchargement du catalogue du moteur à courant continu haute efficacité, diamètre extérieur de 25 mm
Moteur à courant continu haute efficacité avec un diamètre extérieur de 25 mm, plage de tension de 3V-24V, catalogue pour les moteurs de distributeurs...
Télécharger- Galerie
Service client
Pour toute question technique concernant les moteurs CC, veuillez nous appeler au : +886-4-8350536
Plus de détailsMoteur électrique à courant continu micro 3V - 24V pour distributeur de savon, 7200 tr/min, diamètre extérieur de 25 mm, haute vitesse et faible bruit | Fabricant de micro-moteurs pour équipements médicaux | Hsiang Neng
Implantée à Taïwan depuis 1987, Hsiang Neng DC Micro Motor Manufacturing Corporation est un fabricant de moteurs et de motoréducteurs DC en OEM et ODM. Ses principaux moteurs à courant continu à couple élevé comprennent, le moteur à courant continu pour distributeur de savon électrique micro 3V - 24V 7200 tr/min dans un diamètre extérieur de 25 mm avec une vitesse élevée et un faible bruit, les moteurs à courant continu pour équipements médicaux dentaires, les moteurs à courant continu à engrenage à vis sans fin avec codeur, la boîte de vitesses à double arbre, les moteurs à courant continu à balais en carbone pour vélos électriques, les moteurs à engrenages de robot, les moteurs à actionneur linéaire, les moteurs pour meuleuses de bande de tapis roulant, les moteurs à engrenages planétaires miniatures, qui sont silencieux, à couple élevé, longue durée de vie et haute vitesse, et sont certifiés CCC, ROHS, CE et UL.
Hsiang Neng DC Micro Motor Manufacturing Corp. a été créée en 1987, c'est un fabricant professionnel de moteurs à engrenages CC précis et de moteurs CC. Ils sont traités par des appareils importés avancés et des machines CNC, et la production semi-automatique garantit que les produits sont stables et fiables.
HSINEN fournit à ses clients des moteurs à courant continu et des motoréducteurs de haute qualité, dotés d'une technologie avancée et de 36 ans d'expérience. HSINEN veille à ce que les exigences de chaque client soient satisfaites.





