Motor CC escovado de pequeno diâmetro de 33 mm em tensão de 6V - 24V.
HN330
Gerador de corrente contínua, micro motor, motor pequeno, motores elétricos, motor de dispensador de sabão, motor de dispensador de álcool automático.
Motor DC com diâmetro externo de φ33 mm e faixa de operação de 6-12 Volts pode ser ajustado, com certeza com alta RPM, conveniente no controle de velocidade, fácil de instalar, alto torque de partida, longa vida útil vantagens. De acordo com os requisitos de diversidade de motores CC do cliente, o controlador do redutor de engrenagens e o codificador estão disponíveis para adicionar ao HN330, podendo ser aplicados em máquinas de troca de moedas, máquinas de pegar, respiradores motorizados, garras de fliperama, bicicletas com assistência elétrica, ferramentas de massagem, fechaduras inteligentes e equipamentos de laboratório.
A empresa de motores de corrente contínua HSINEN tem mais de 30 anos de experiência em fabricação madura, qualidade estável dos materiais no eixo, redutor de velocidade do motor, tudo desde a pesquisa e desenvolvimento até a linha de produção de fabricação em um único local, proporcionando eficiência elevada e qualidade superior comprometida com o MIT.
Recursos
- Eixo: Eixo Central
- Direção de Rotação: Bidirecional
- Escova de Carbono.
- Tipo de Ímã: Ímã de Borracha / Ímã Permanente em Forma de Anel.
- Baixo ruído, alto desempenho, economia de energia.
- Alta RPM, MIT, Fácil de Instalar.
- Pequenos motores DC personalizados com todas as especificações de acordo com suas necessidades.
Especificações
- Tensão: DC 6V ~ 24V
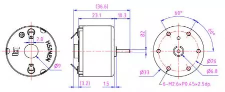
- OD: φ 33 mm
Desenho do Motor

Lista de Testes de Motores
| Modelo 330 | Voltagem | Sem carga | Na eficiência máxima | Torque de parada | ||||||
|---|---|---|---|---|---|---|---|---|---|---|
| Faixa de Operação | V.DC nominal | VELOCIDADE | CORRENTE | VELOCIDADE | CORRENTE | TORQUE | SAÍDA | EFF | ||
| RPM | mA | RPM | mA | g-cm | W | % | g-cm | |||
| HN330A-2414T | 6V~12V | 6V | 7300 | 130 | 5571 | 434 | 28.04 | 1.604 | 61 | 200 |
| HN330A-1924T | 6V~12V | 6V | 4300 | 70 | 3213 | 260 | 26.69 | 0.881 | 56 | 160 |
| HN330A-1634T | 6V~24V | 12V | 6000 | 65 | 5017 | 226 | 34.56 | 1.781 | 65 | 220 |
| HN330B-1250T | 6V~24V | 12V | 5700 | 50 | 3713 | 166 | 26.76 | 1.02 | 50 | 90 |
| HN330A-1640Y | 6V~24V | 24V | 5800 | 70 | 5118 | 149 | 40.83 | 2.146 | 59 | 260 |
* A aparência do motor/caixa de engrenagens pode ser diferente de acordo com as especificações especiais ou relação de engrenagens especiais, entre em contato conosco para obter mais detalhes.
- Produtos relacionados
Motor elétrico CC de ímã permanente de alta rotação de 6V a 24V com escova de carbono de diâmetro de 34,5 mm
HN345
Diâmetro externo de 34,5 mm com faixa de tensão de 6V-24V, HN345 com tamanho pequeno, montagem...
DetalhesMotor de corrente contínua de alta velocidade de 6V - 24V em 38mm de diâmetro externo, grande economia de energia.
HN380
Dia. 38mm a voltagem é adequada para 6V - 24V, possui baixo ruído, alta eficiência, alta...
Detalhes6V - 12V Diâmetro 21mm Economia de Energia Escovado a Carbono Micro Motores Elétricos DC Mini
HN210
Motor DC de φ21mm de diâmetro, tamanho pequeno, faixa de tensão de 6V - 12V. O motor DC de 12V é a escolha...
Detalhes- Download de Desenhos
Motor CC Escovado com Diâmetro Externo de 33mm - Catálogo
Motor CC Escovado com Diâmetro Externo de 33mm, Alta Eficiência, Velocidade e Tensão de 6V-24V - Desenho para Download
Download- Galeria
Atendimento ao Cliente
Para qualquer problema técnico relacionado a motores DC, por favor, ligue para nós: +886-4-8350536
Mais detalhesMotor CC escovado de pequeno diâmetro de 33 mm em tensão de 6V - 24V. | Fabricante de Micro Motores para Equipamentos Médicos | Hsiang Neng
Localizada em Taiwan desde 1987, Hsiang Neng DC Micro Motor Manufacturing Corporation tem sido uma fabricante de motores DC e motores de engrenagem OEM e ODM. Seus principais motores CC de alto torque incluem, Motor CC Escovado de Carbono Pequeno de 33mm de Diâmetro em Voltagem de 6V - 24V, motores CC para equipamentos médicos dentários, motores CC de engrenagem de verme com codificador, caixa de engrenagens de duplo eixo, motores CC escovados de carbono para bicicletas elétricas, motores de engrenagem de robô, motores de atuador linear, motores de lixadeira de correia de esteira, motores de engrenagem planetária em miniatura, que são de baixo ruído, alto torque, longa vida útil e alta velocidade, e são certificados CCC, ROHS, CE e UL.
A Hsiang Neng DC Micro Motor Manufacturing Corp. foi fundada em 1987 e é uma fabricante profissional de Motores de Engrenagem DC precisos e motores DC. Os quais são processados por meio de equipamentos avançados importados e máquinas CNC, e a produção semi-automática garante que os produtos sejam estáveis e confiáveis.
HSINEN tem fornecido aos clientes motores DC e motores de engrenagem de alta qualidade, ambos com tecnologia avançada e 36 anos de experiência, HSINEN garante que as necessidades de cada cliente sejam atendidas.





