직경 20mm 저 기어 비율 행성 기어 감속기와 6V - 24V DC 모터
HN20PG-HN210
행성 모터, 행성 기어박스, 행성 속도 모터
행성 모터의 성능은 안정적이며 고 토크 환경에서 사용할 수 있습니다. HN20PG-HN210 - 외경 20mm 플래닛 기어박스는 외경 21mm DC 모터 (HN210)와 함께 제공되며, 토크, 재질, 축, 기어비 등을 맞춤 설정할 수 있습니다. HSINEN 행성 기어박스는 고정밀 생산 장비를 사용하여, 소형 구조, 큰 출력 토크, 안정적인 운전, 높은 성능 및 다양한 감속비의 장점을 보장합니다.
행성 기어 모터 시리즈는 다양한 기어박스로 제공되어 당신의 요구에 맞게 선택할 수 있습니다.
또한, 그들은 자동 판매기, 전자 스마트 잠금장치, 전자 공구, 자동 센서 문, 청소 로봇, 로봇, 로봇 팔, 커피 메이커, 의료 장비, 자동 포장 기계, 자동 화폐 카운터, 컨베이어 벨트 장비 및 기타 용도에서도 발견됩니다.
특징
- 축: 중앙 축
- 회전 방향: 양방향
- 카본 브러시.
- 자석 유형: 링형 영구 자석
- 높은 전달 효율성.
- 높은 토크, 높은 하중, 더 나은 적응성.
- 모든 모터 매개변수를 맞추기 위한 맞춤형 행성 기어 모터.
사양
- 전압: DC 6V ~ 24V
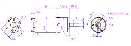
- DC 모터의 외경: φ 21 - 21.5mm
- 기어박스의 외경: φ 20mm
모터 도면

모터 테스트 목록
| 비율 | 5.4 | 29.2 | 103.6 | 127.7 | 157.5 | 850.3 |
|---|---|---|---|---|---|---|
| DIM "L" MM | 16.3 | 20.5 | 24.7 | 24.7 | 24.7 | 28.9 |
| 효율 | 80 | 70 | 60 | 60 | 60 | 50 |
| 허용 토크 (킬로그램-센티미터) | 1 | 1.8 | 2.5 | 2.5 | 2.5 | 3 |
| 모델 210 | 전압 | 부하 없음 | 최대 효율에서 | 정지 토크 | ||||||
|---|---|---|---|---|---|---|---|---|---|---|
| 운전 범위 | 명목 V.DC | 속도 | 전류 | 속도 | 전류 | 토크 | 출력 | 효율 | ||
| RPM | mA | RPM | mA | g-cm | W | % | g-cm | |||
| HN210C-1911T | 6V~12V | 6V | 7000 | 200 | 4895 | 639 | 34.54 | 1.736 | 45 | 140 |
| HN210B-1614T | 6V~12V | 9V | 9250 | 200 | 6595 | 632 | 42.5 | 2.878 | 50 | 160 |
| HN210C-1322T | 6V~12V | 12V | 11500 | 180 | 7796 | 395 | 25.19 | 2.017 | 42 | 90 |
| HN210C-1045Y | 6V~24V | 12V | 2800 | 35 | 1829 | 65 | 15.71 | 0.295 | 37 | 40 |
| HN210B-1616Y | 6V~24V | 12V | 5600 | 110 | 4742 | 234 | 31.25 | 1.522 | 54 | 140 |
* 모터/기어박스의 외관은 특수 사양이나 특수 기어비에 따라 다를 수 있으니 자세한 내용은 저희에게 문의하십시오.
- 관련 제품
15kg의 허용 토크를 가진 Φ 35mm 행성 기어 모터 6V - 24V
HN34PG-HN330
35mm 외경의 플래닛 기어박스는 33mm DC 모터가 장착되어 있습니다. 큰 하중...
세부48mm에서 30kg-cm의 큰 토크를 가진 6V - 24V 플래닛어리 기어 감속 모터
HN48PG-HN380
플래닛 기어 형넥 모터는 OD 48mm에 38mm DC 모터를 추가하여 허용 토크는...
세부- 도면 다운로드
- 갤러리
직경 20mm 저 기어 비율 행성 기어 감속기와 6V - 24V DC 모터 | 의료 장비 마이크로 모터 제조업체 | 향 능
1987년부터 대만에 위치한 Hsiang Neng DC Micro Motor Manufacturing Corporation는 OEM 및 ODM DC 모터 및 기어모터 제조업체입니다. 주요한 고 토크 DC 모터는 다음과 같습니다. 직경 20mm 저 기어비 플래닛 기어 감속기와 6V - 24V DC 모터, 치과 의료 장비용 DC 모터, 인코더가 있는 웜 기어 DC 모터, 듀얼 샤프트 기어박스, 전동 자전거 카본 브러시 DC 모터, 로봇 기어 모터, 선형 액추에이터 모터, 트레드밀 벨트 그라인더 모터, 소형 플래닛 기어 모터입니다. 이들은 저소음, 고 토크, 장수명 및 고속이며 CCC, ROHS, CE 및 UL 인증을 받았습니다.
향능 DC 마이크로 모터 제조공장은 1987년에 설립되었으며, 정밀한 DC 기어 모터와 DC 모터의 전문 제조업체입니다. 이들은 선진한 수입 장비와 CNC 기계로 가공되며, 반자동 생산은 제품이 안정적이고 신뢰할 수 있는 품질을 보장합니다.
HSINEN는 고객들에게 고품질의 DC 모터와 기어모터를 제공해왔으며, 선진 기술과 36년의 경험을 바탕으로 HSINEN는 각 고객의 요구사항을 충족시킵니다.





